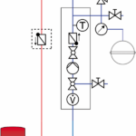
Насосна група для сонячних колекторів SolarBloC midi DN 20
Усі деталі з латуні. Всі з’єднання ВР ¾”. Попередньо змонтована зі сталевим настінним кронштейном, швидко і легко монтується на стіні.
Для запобігання небажаній циркуляції обов’язково кульовий клапан із ключем, легке керування, відсутність ризику опіків. Група безпеки для сонячних колекторів із запобіжним клапаном 6 бар, високотемпературний манометр 0-6 бар із клапаном, клапан KFE для промивання та наповнення. Всі з’єднання з плоским ущільненням для розширювального бака Функціональна ізоляція з оптимізованою конструкцією, виготовлена з повністю еластичного EPP, повна ізоляція клапанів, відмінна вентиляція та охолодження насоса.
Ціліснометалічний сонячний термометр, знімний 0-160°C, вбудований з занурювальною гільзою в кульовий кран. Повний плоский ущільнювальний гвинт. Циркуляційний насос Wilo або Grundfos, попередньо змонтований. Витратомір з регульованим обмежувачем витрати та оглядовим склом для функціонального керування, до 120°C, діапазон вимірювання 3-22 л/хв.
У клапани промивання та наповнення вбудовані два крани KFE (на витратомірі та в групі безпеки) дозволити заповнення та промивання системи.










Відгуки
Ще немає відгуків.